產品/Leybold

D25B雙級旋片真空泵
萊寶TRIVAC D25B雙級旋片真空泵主要參數:名義抽速:29.5m3/h極限壓強(關氣鎮):10-4mbar極限壓強(開氣鎮):5X10-3mbar萊寶TRIVAC D-B雙級旋片真空泵系列產品采用了經過實踐檢驗的萊寶的TRIVAC設計理念。萊寶TRIVAC D-B雙級旋片真空泵系列產品及其各種附件可以穩定的應用于許多不同領域。內部泵體采用無密封元件的組裝。部件間進行銷接從而確保便于拆卸和重新組裝。從D4B到D25B型號的所有泵都配備了單相或三相電機。D40B- D65B型號配備了三相電機。...
立即咨詢- 產品概述
- 產品特點
- 產品應用
- 供貨范圍
- 技術參數
- 訂貨信息
萊寶TRIVAC D25B雙級旋片真空泵主要參數:
名義抽速:29.5m3/h
極限壓強(關氣鎮):10-4mbar
極限壓強(開氣鎮):5X10-3mbar
萊寶TRIVAC D-B雙級旋片真空泵系列產品采用了經過實踐檢驗的萊寶的TRIVAC設計理念。
萊寶TRIVAC D-B雙級旋片真空泵系列產品及其各種附件可以穩定的應用于許多不同領域。
內部泵體采用無密封元件的組裝。部件間進行銷接從而確保便于拆卸和重新組裝。
從D4B到D25B型號的所有泵都配備了單相或三相電機。D40B- D65B型號配備了三相電機。
泵轉子和電機采用彈性聯軸器相連。
TRIVAC B系列產品采用模塊化設計,分為三個系列:
TRIVAC 4/8系列
TRIVAC 16/25系列
TRIVAC 40/65系列
供貨范圍
小法蘭、尖環和卡箍。入口法蘭包含錐形粉塵過濾網。D25B之前的所有泵標配手提把手。
單相電機的TRIVAC B泵配備有通/斷開關、電源線和電源插頭,使用方便。
萊寶標準TRIVAC D-B雙級旋片真空泵在供貨時配備泵油LEYBONOL LVO 100,需要配備特種油應提前說明。
萊寶TRIVAC D-B雙級旋片真空泵在交付前都100%經過了真空試驗!
定制型號
- ATEX防爆(內部3類和外部3類)。
- 制動液
- 制冷設備用泵,例如,酯類制冷劑R134 a的制冷循環
- 過壓保護(用于新制冷劑丙烷和丁烷)
- 3He應用(用于低溫恒溫器)
- 特種電機
更多信息請聯系萊寶官方授權:安博元科技 0510-8510-0806 info@anboyuan.com
萊寶TRIVAC D25B雙級旋片真空泵產品特點
- 所有標準泵(單相和三相電機)都通過了94/9/EG(ATEX)認證(3類,內部)
- 水蒸汽容許壓強高
- 1000毫巴壓強下能持續運行
- 內置油泵;強制潤滑
- 所有控制部分和油窗都在正面
- 進氣口與排氣口可垂直或水平安裝
- 內部泵體模塊化
- 防返油閥通過油壓控制
- 無黃銅(不包含黃色金屬)
- 便于維修
- 中真空和高真空應用理想的前級真空泵
- 高效密封(3He)
更多信息請聯系萊寶官方授權:安博元科技 0510-8510-0806 info@anboyuan.com

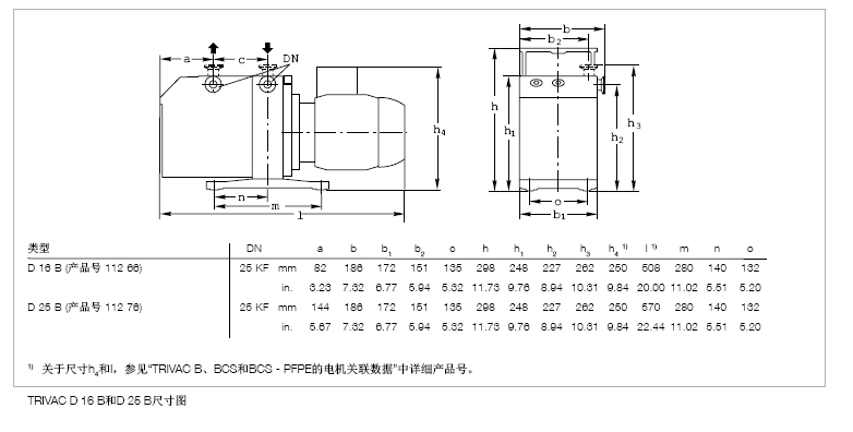
1) 符合DIN 28 400和以下數據。
2) 有交流電機(50Hz)的泵電機額定值和噪音水平。
有其他電機的泵偏離前述表值的數據以及其他電機關聯數據
參見“產品”中“TRIVAC B、BCS和BCS - PFPE的電機關聯數據”。
3) 參見“TRIVAC B、BCS和BCS - PFPE的電機關聯數據”。


更多信息請聯系萊寶官方授權:安博元科技 0510-8510-0806 info@anboyuan.com

更多信息請聯系萊寶官方授權:安博元科技 0510-8510-0806 info@anboyuan.com































